0512-53353533
181 3696 9561
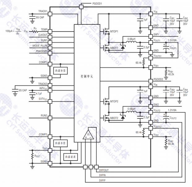
CYTM4628A是一款獨立雙通道8A或單通道16A輸出的降壓式DC/DC微模塊穩壓器。模塊內置開關控制器、功率FET、電感器和配套元件,外部僅需少量濾波/保持電容器及電阻即可構成完整的降壓式雙路輸出DC/DC穩壓器。模塊輸入電壓范圍4.5V~26.5V,通過一個外置取樣電阻可在0.6V~5.5V范圍設置輸出電壓。模塊支持外部頻率同步、多相串并聯、突發模式和輸出電壓跟蹤及排序操作。模塊具有一個內置的溫度檢測二極管以提供溫度監測功能。故障保護功能包括過壓和過流保護。封裝尺寸:15mm×15mm×4.32mm LGA144,15mm×15mm×4.92mm BGA144
獨立雙通道輸出雙通道8A或單通道16A輸出寬輸入電壓范圍:4.5V~26.5V輸出電壓范圍:0.6V~5.5V±1.0%的反饋電壓基準差分遙測放大器電流模式控制/快速瞬態響應可調開關頻率過流折返式保護多相均流并聯應用頻率同步內部溫度檢測二極管輸出可選擇突發模式操作軟啟動/電壓跟蹤輸出過壓保護
功能描述:DC/DC微模塊穩壓器;
輸入電壓:4.5V~26.5V;
輸出電壓:0.6V~5.5V;
輸出電流:單通道16A或雙通道8A;
溫度范圍:工業級 -40℃~125℃, 軍工級 -55℃~ 125℃;
封裝形式:LGA/BGA;
車燈LED驅動芯片NS1716可替代LN2616
DALI調光接口芯片 BP5016
國產LM5021 離線式PWM控制驅動器 CD5021 替代
國產LM5022 升壓電源PWM控制驅動器CD5022 Bo
M7022E 單通道觸摸調光芯片 觸摸LED燈調光芯片
掃一掃 添加微信客服
?:18136969561
蘇州妙凱電子有限公司 版權所有 盜版必究?網站訪問量: 次
備案號:蘇ICP備19048653號