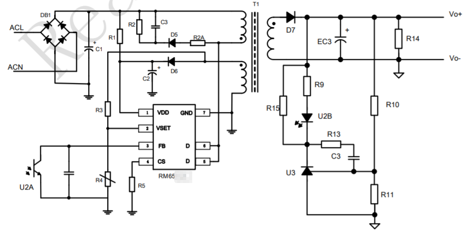
RM6526/8是一款內置高壓MOSFET,高性能高可靠性電流控制型PWM開關控制芯片,支持谷底檢測開通功能,滿足六級能效標準。
RM6526/8采用低電流啟動模式及低工作電流,減少待機損耗。芯片內置多種工作模式,在輕載及空載情況下,芯片進入Burstmode模式,消除變壓器的音頻噪音,提高轉換效率;在重載情況下,電路進入QR模式。內部集成斜坡補償模塊,有利于系統閉環反饋回路的穩定性,減小了輸出紋波電壓。芯片外置OVP保護功能,可以通過VSET管腳的上下拉電阻分壓設置OVP保護限值,以滿足不同條件的用戶需求。
芯片內部集成多種異常狀態保護功能,包括VDD欠壓保護及過壓保護,過載保護,CS過流和懸空保護,過溫保護功能。在電路發生異常時,芯片進入保護狀態并自動重啟檢測,直至異常解除為止,輸出正常。
寬范圍VDD電壓(9V-60V)
內置650V高壓MOSFET 低啟動電流和工作電流
Burst mode模式去除音頻噪音并提高輕 載效率
最大支持100KHz工作頻率 QR/谷底開通模式
輕載/空載Burst mode 軟啟動功能
具備抖頻模式降低EMI 電流模式控制
內置CS管腳短路保護功能 內置斜坡補償功能 內置前沿消隱
VDD過壓保護和欠壓保護 外置輸出OVP
過載保護和過溫保護 逐周期限流功能
輸出二極管短路保護功能
應用領域 電源適配器 開放式電源 TV/機頂盒電源 PD快充電器

原理圖僅供參考 以規格書為準
| 產品型號 | 功能特點 | 典型功率 | 功率器件 | 最大頻率 | 封裝形式 |
|---|---|---|---|---|---|
| RM6514S | CCM/QR、六級能效標準 | 18W/24W | 內置MOS | 65kHz | SOP-7 |
| RM6515D | CCM/QR、六級能效標準 | 18W/24W | 內置MOS | 65kHz | DIP-7 |
| RM6517D | CCM/QR、六級能效標準 | 30W/36W | 內置MOS | 65kHz | DIP-7 |
| RM6510T | CCM/QR、六級能效標準 | 100W/100W | 外置MOS | 65kHz | SOT23-6 |
| RM6500SA | CCM/QR、六級能效標準 | 100W/100W | 外置MOS | 65kHz | SOP-8 |
| RM6522SA | 內置?壓MOS QR/?底開通模式 ?壓VCC | 15W/18W | 內置MOS | 100kHz | SOP-7 |
| RM6500S | CCM/QR、六級能效標準 | 100W/100W | 外置MOS | 65kHz | SOP-8 |
| RM6526D | 內置?壓MOS QR/?底開通模式 ?壓VCC | 25W/30W | 內置MOS | 100kHz | DIP-7 |
| RM6524D | 內置?壓MOS QR/?底開通模式 ?壓VCC | 20W/25W | 內置MOS | 100kHz | DIP-7 |
| RM6523D | 內置?壓MOS QR/?底開通模式 ?壓VCC | 18W/20W | 內置MOS | 100kHz | DIP-7 |
| RM6522D | 內置?壓MOS QR/?底開通模式 ?壓VCC | 12W/15W | 內置MOS | 100kHz | DIP-7 |
| RM6524SAL | 內置?壓MOS QR/?底開通模式 ?壓VCC | 20W/25W | 內置MOS | 65kHz | SOP-7 |
| RM6524SA | 內置?壓MOS QR/?底開通模式 ?壓VCC | 20W/25W | 內置MOS | 100kHz | SOP-7 |
| RM6523SAL | 內置?壓MOS QR/?底開通模式 ?壓VCC | 20W/25W | 內置MOS | 65kHz | SOP-7 |
| RM6523SAH | 內置?壓MOS QR/?底開通模式 ?壓VCC | 20W/25W | 內置MOS | 100kHz | SOP-7 |
| RM6523SA | 內置?壓MOS QR/?底開通模式 ?壓VCC | 20W/25W | 內置MOS | 100kHz | SOP-7 |
| RM6528NS | 內置?壓GaNFET QR/?底開通模式 | 20W/25W | 內置GaN | 100kHz | ESOP-8 |
| RM6524NDH | 內置?壓GaNFET QR/?底開通模式 | 45W/50W | 內置GaN | 100kHz | DFN8*8 |
| RM6524ND | 內置?壓GaNFET QR/?底開通模式 | 35W/45W | 內置GaN | 100kHz | DFN5*6 |
| RM6522ND | 內置?壓GaNFET QR/?底開通模式 | 60W/65W | 內置GaN | 100kHz | DFN8*8 |
| RM6520SDQ | ?壓啟動 ?壓VCC QR/?底開通模式 | 120W/120W | 外置MOS | 100kHz | SOP-8 |
| RM6520NDQ | ?壓啟動 ?壓VCC QR/?底開通模式 | 120W/120W | 外置GaN | 100kHz | SOP-8 |
| RM6520SL | ?壓VCC , QR/?底開通模式,六級能效標準 | 120W/120W | 外置MOS | 65kHz | SOP-8 |
| RM6520TN | ?壓VCC , QR/?底開通模式,六級能效標準 | 120W/120W | 外置GaN | 100kHz | SOT23-6 |
| RM6604NDQ | 高壓啟動,QR,內置高壓GaNFET,集成GaN驅動器,六級能效標準 | 36W/40W | 內置GaN | 130kHz | DFN5*6 |
| RM6602NDQ | 高壓啟動,QR,內置高壓GaNFET,集成GaN驅動器,六級能效標準 | 65W/70W | 內置GaN | 130kHz | DFN8*8 |
| RM6601NDQ | 高壓啟動,QR,集成GaN驅動器,六級能效標準 | 100W/100W | 外置GaN | 130kHz | SOP-8 |
| RM6520TL | ?壓VCC , QR/?底開通模式,六級能效標準 | 120W/120W | 外置MOS | 65kHz | SOT23-6 |
| RM6520T | ?壓VCC , QR/?底開通模式,六級能效標準 | 120W/120W | 外置MOS | 100kHz | SOT23-6 |
| RM6520S | ?壓VCC , QR/?底開通模式,六級能效標準 | 120W/120W | 外置MOS | 100KHZ | SOP-8 |