1088是一顆專用于便攜式鋰電池小風扇的驅動芯片,并集成邊充邊放的路徑管理功能,具有多種LED指示功能,默認為三種檔位輸出模式。1088內置線性充電并固定在500mA充電,充電分為三段式涓流充電、恒流充電和恒壓充電全過程的充電方式。芯片內部集成了按鍵防抖功能以和多重保護功能,包括短路保護、過溫保護、電池反接保護、電池低壓保護等功能,芯片設計了高性能的ESD保護電路,使得該款芯片具有極高的可靠性和穩定性。
1088應用電路簡單,只需極少外圍電路便可實現便攜小風扇完整方案。
應用 1 手持小風扇 2 微型毛發修剪器 3 小型霧化器
? 內置路徑管理,支持邊充邊放 ? 超低系統待機電流8uA ? 500mA鋰電池充電,充電電流自適應
? 軟啟動功能和電池反接保護 ? 涓流/恒流/恒壓三段式充電 ? FAN輸出過流/短路/低壓壓保護
? 可定制多模式輸出 ? 封裝形式: SOT23-6




1088內部集成完整的鋰電線性充放電功能;當電源適配器插入時,1088實時檢測輸入電壓,通過 電壓調整充電電流,在單獨充電或邊充邊放時以免輸入端出現過載;
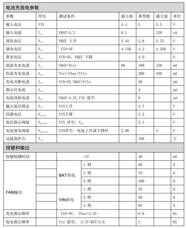
涓流充電:當電源插入且檢測電池電壓小于2.6V時(芯片支持0V充電),芯片工作在涓流充電模 式充電電流100mA,充電指示燈閃爍頻率為0.8Hz;當檢測電池電壓大于2.6V,芯片進入恒流充電 模式,恒流充電電流設定值為500mA,恒流充電期間為避免系統過熱并獲得良好的充電體驗,芯片通過檢測內部溫度來調整恒流充電電流以降低系統溫度。當系統到達浮充電壓時,系統結束橫 流充電進入恒壓充電,同時充電電流逐漸減小,減至橫流充電電流值的1/10(50mA)時停止充電,
充電指示燈長亮; 1088支持邊充邊防功能;放電時,系統可工作在1/2/3檔,FAN工作由弱到強(FAN1-FAN2-FAN3-OFF 一個完整循環;其他需求可聯系定制); 當BAT供電且電池電壓小于3.1V,系統狀態指示燈開始 閃爍,閃爍頻率為3Hz;當電池電壓低于2.8V時,系統關閉輸出;單電池重新啟動需要將電池電 壓充電至3.1V以上。