LP35117A 是一款高性能高耐壓的副邊同步整流控 制芯片,適用于 AC-DC 的同步整流應用,適用于 正激系統和反激系統。LP35117A支持DCM和CCM 多種工作模式。
LP35117A 采用專利的整流管開通技術和周期追蹤 技術,可以有效的避免因激磁振蕩引起的驅動芯片 誤動作以及在 CCM 工作條件下純電壓判定的關斷 延遲造成的效率損失。
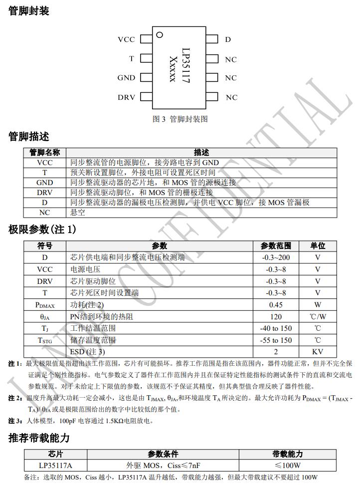
LP35117A 采用專利的死區時間外置可編程技術, 通過調整一個電阻阻值即可以調節系統在 CCM 模 式下同步整流管關斷的死區時間。 LP35117A 集成 VCC 供電技術,在不需要輔助繞 組供電的情況下,保證芯片 VCC 不會欠壓。
LP35117A 采用 SOP8L 封裝。
特點 ? 隔離型的同步整流控制應用 ? 適用正激和反激系統 ? 兼容 DCM 和 CCM 多種工作模式 ? 控制芯片 200V 高耐壓 ? 專利的整流管開通技術和周期追蹤技術 ? 集成 VCC 供電技術 ? 芯片供電欠壓保護 ? 芯片過壓鉗位 ? 芯片啟動前驅動腳防誤導通 ? 外圍元器件少
應用 ? 充電器和適配器的同步整流 ? 正激控制器和反激控制器

