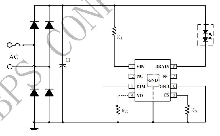
BP5711FJ是一款高度集成的高精度線性可調光LED恒流驅動芯片,主要用于市電輸入的各類調光光源和燈具的驅動?;诰€性恒流技術的BP5711FJ,可以省去磁性元件,有助于LED 驅動器實現小體積、低成本,并符合EMI標準。 BP5711FJ 支持PWM 調光信號,可以搭配常見的調光模塊實現調光功能。 BP5711FJ 具有過溫調節功能。當輸入電壓過高或者 LED電流過大導致芯片溫度過高時,將降低輸出電流。
優勢 外圍電路簡單,驅動器體積小 支持1%-100%的PWM 調光信號輸入 內置500V 高壓MOS管 母線電壓變化士20%仍可正常工作 集成高壓啟動線路,超快LED啟動 ±5%LED輸出電流精度 LED電流可外部設定 內置過溫降電流功能 輸入線電壓補償功能 采用SOP8-EP封裝
應用領域 智能LED燈 絲燈智能LED 球泡燈 其它智能LED照明


| 產品型號 | 封裝 | 線補償 | 單顆功率 | 輸出最大電流能力 | 通道數 | MOS BV | 調光接口 | DIM Mode | 應用 |
| BP5712E | ESOP8 | Y | 10W | 80mA | 1 | 500V | PWM | 無頻閃 | ErP高壓線性單路調光恒流驅動 |
| BP5711EJ | ESOP8 | Y | 10W | 120mA | 1 | 500V | PWM/Analog | 斬波 | 高壓線性單路調光恒流驅動(斬波輸出) |
| BP5711FJ | ESOP8 | Y | 10W | 180mA | 1 | 500V | PWM | 無頻閃 | 高壓線性單路調光恒流驅動(模擬輸出) |
| BP5772D | ESOP8 | Y | 10W | 80mA | 2 | 500V/500V | PWM | 無頻閃 | ErP高壓線性雙路調光調色恒流驅動 |
| BP5776EK | EMSOP8 | Y | 5W | 100mA | 2 | 500V/500V | PWM | 無頻閃 | PWM轉模擬、雙通道高壓線性調光調色恒流驅動 |
| BP5778EK | ESOP8 | Y | 10W | 100mA | 2 | 500V/500V | PWM | Analog | PWM轉模擬、雙通道高壓線性調光調色恒流驅動 |
| BP5778EJ | ESOP8 | N | 10W | 120mA | 2 | 500V/500V | PWM/Analog | 斬波 | 支持PWM和模擬DIM、雙通道線性調光調色恒流驅動 |
| BP1633CJ | ESOP-8 | N | 10W | 100mA | 3 | 40V / 6Ω | PWM | 斬波 | 三路獨立PWM調光調色 |
| BP1638CJ | ESOP-8 | N | 10W | 200mA | 3 | 40V / 6Ω | PWM | 斬波 | 三路獨立PWM調光調色 |
| BP1658CJ | ESOP-8 | N | 10W | CW:<75mA, RGB:<150mA | 5 | CW:500V RGB:40V | I2C | 無頻閃 | I2C五路線性調光調色 |
| BP5758D | ESOP-8 | N | 10W | 90mA | 5 | 500V | I2C | 無頻閃 | I2C五路線性調光調色 |
| BP5768D | ESOP10 | Y | 10W | 90mA | 5 | 500V | I2C | 無頻閃 | 新ErP,I2C五路線性調光調色 |