BP2886X是一款支持PWM輸入調光的高精度降壓型 LED 恒流驅動芯片,全程采用模擬調光控制模式, 專為無頻閃無噪聲 LED 智能照明應用而設計。
BP2886X 能夠達到優異的調光線性度和輸出電流 一致性,適用于 85Vac~265Vac 全范圍輸入電壓的 非隔離降壓型 LED 恒流電源。 BP2886X 芯片集成高壓啟動電路和 500V 功率管, 無需 VCC 電容和輔助繞組,只需要很少的外圍元 件,即可實現優異的恒流特性,極大的節約了系 統成本和體積。 BP2886X 芯片內部帶有高精度的電流采樣電路,來 實現精確的 LED 恒流輸出和優異的線電壓調整率。
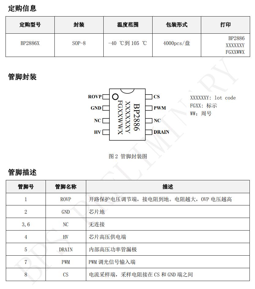
BP2886X 具有多重保護功能,包括 LED 開路保護, LED 短路保護,芯片溫度過熱調節等。 BP2886X 采用 SOP-8 封裝。
BP2886是一款支持 PWM輸入調光的高精度降壓型LED 恒流驅動芯片,全程采用模擬調光控制模式,專為無頻閃無噪聲 LED 智能照明應用而設計。
BP2886 能夠達到優異的調光線性度和輸出電流一致性,適用于 85Vac~265Vac 全范圍輸入電壓的非隔離降壓型 LED 恒流電源。
BP2886 芯片集成高壓啟動電路和 500V 功率管無需 VCC 電容和輔助繞組,只需要很少的外圍元件,即可實現優異的恒流特性,極大的節約了系統成本和體積。
優勢 支持 1%-100%PWM 調光 全程模擬調光無頻閃 無需啟動電阻和 VCC 電容 內部集成 500V 功率管 ±5% LED 輸出電流精度 LED 開路保護 LED 短路保護 過熱調節功能 采用 SOP-8 封裝
應用領域 LED 吸頂燈 LED 球泡燈 其它 LED 照明





| 產品型號 | 封裝 | PF | 拓撲 | 功率 | MOS | 開路保護 | 調光方式 |
| BP2881B | SOP8 | 0.5 | Buck | <19W | 500V/8.5Ω | Y | PWM |
| BP2881D | SOP8 | 0.5 | Buck | <24W | 500V/4.8Ω | Y | PWM |
| BP2886B | SOP8 | 0.5 | Buck | <19W | 500V/8.5Ω | Y | PWM |
| BP2886D | SOP8 | 0.5 | BUCK | <24W | 500V/4.8Ω | Y | PWM |
| BP2886F | SOP8 | 0.5 | BUCK | <35W | 500V/3Ω | Y | PWM |
| BP2887F | DIP7 | 0.5 | BUCK | <40W | 500V/3Ω | Y | PWM |
| BP2887G | DIP7 | 0.5 | BUCK | <50W | 500V/2Ω | Y | PWM |
| BP2878K | SOP8 | 0.5 | Buck | <100W | External | Y | PWM |
| BP2956XS | SOP8 | 0.5 | Buck | <35W | 500V/4.8Ω/3Ω | Y | PWM |
| BP2956X | SOP8 | 0.5 | Buck | <35W | 500V/4.8Ω/3Ω | Y | PWM |
| BP2958XE | HSOP7 | 0.5 | Buck | <40W | 500V/8.5Ω/4.8Ω/3Ω | Y | PWM |
| BP2958X | DIP7 | 0.5 | Buck | <50W | 500V/4.8Ω/3Ω/2Ω | Y | PWM |
| BP2316CK | SOP8 | 0.7 | Buck | <10W | 500V/5.2Ω | Y | PWM/Analog |
| BP2306CK | SOP8 | 0.9 | Buck | <10W | 550V/5.2Ω | Y | PWM/Analog |
| BP2306HK | SOP8 | 0.9 | Buck | <18W | 600V/2Ω | Y | PWM/Analog |
| BP2308 | SOP8 | 0.9 | BUCK | <100W | External | Y | PWM/Analog |