首頁 >> 產品中心 >> BPS晶豐明源 >> AC/DC非隔離高PF
BP2329AJ 是一款帶有源功率因數校正的高精度降 壓型 LED 恒流控制芯片,適用于 85Vac-265Vac 全 范圍輸入電壓的非隔離降壓式 LED 恒流電源。
BP2329AJ 集成有源功率因數校正電路,可以實現很 高的功率因數和很低的總諧波失真。由于工作在電 感電流臨界連續模式,功率 MOS 管處于零電流開通 狀態,開關損耗得以減小,同時電感的利用率也較 高。 BP2329AJ 采用專利的浮地構架,對電感電流進行全 周期采樣,可實現高精度輸出恒流控制,并達到優 異的線電壓調整率和負載調整率。
BP2329AJ 具有多重保護功能以加強系統可靠性,包 括 LED 開路保護、LED 短路保護、芯片供電欠壓保 護、電流采樣電阻開路保護和逐周期限流等。所有 的保護狀態都具有自動重啟功能。另外,BP2329AJ 具有過熱調節功能,在驅動電源過熱時減小輸出電 流,以提高系統的可靠性。
特點 ? 有源功率因數校正,高 PF 值,低 THD ? 高達 95%的系統效率 ? ±3% LED 輸出電流精度 ? 優異的線電壓調整率和負載調整率 ? 電感電流臨界連續模式 ? 超低 (33uA) 啟動電流 ? 超低 (300uA) 工作電流 ? LED 短路/開路保護 ? 電流采樣電阻開路保護 ? 逐周期電流限流 ? 芯片供電欠壓保護 ? 自動重啟功能 ? 過熱調節功能 ? 小體積的 SOT23-6 封裝
應用 ? GU10/E27 LED 球泡燈、射燈 ? LED PAR30、PAR38 燈 ? LED 日光燈 ? 其它 LED 照明




| 產品型號 | 封裝 | 無VCC 無COMP | MOS內阻 | MOS耐壓 | 開路保護 | 內置CS電阻 | 內置 續流二極管 | 內置橋堆 | 輸出電流@Vout=72V(mA) (Vin=176V-265V) |
| BP2364DN | ASOP-8 | Y | 6.8Ω | 600V | External | Y | - | - | <220 |
| BP2366DN | SOP7 | Y | 4.5Ω | 600V | External | Y | - | - | <220 |
| BP2366EN | SOP7 | Y | 2.7Ω | 600V | External | Y | - | - | <240 |
| BP2367DN | DIP7 | Y | 4.5Ω | 600V | External | Y | - | - | <230 |
| BP2367EN | DIP7 | Y | 2.7Ω | 600V | External | Y | - | - | <260 |
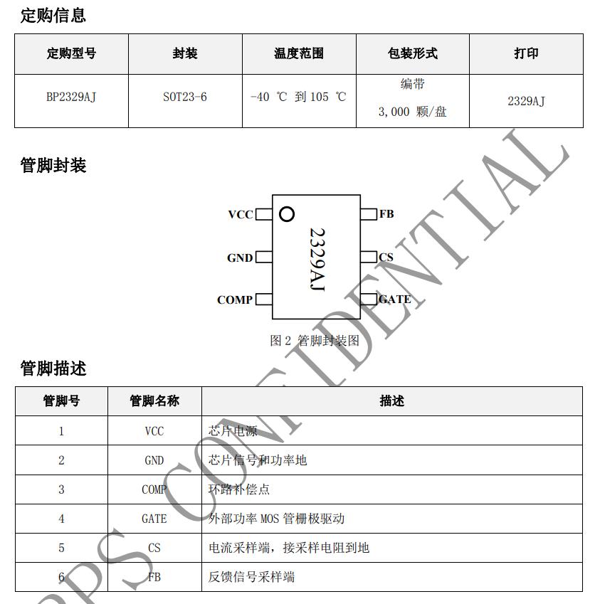
| BP2329AJ | SOT23-6 | / | / | / | External | - | - | - | - |
| BP2362BH | SOP7 | Y | 9Ω | 500V | External | Y | - | - | <150 |
| BP2362CH | SOP7 | Y | 5Ω | 500V | External | Y | - | - | <180 |
| BP2362EH | SOP7 | Y | 3Ω | 500V | External | Y | - | - | <240 |
| BP2362GH | SOP7 | Y | 1.9Ω | 500V | External | Y | - | - | <270 |
| BP2362JH | SOP7 | Y | 1.9Ω | 600V | External | Y | - | - | <270 |
| BP2373B | ASOP-7 | Y | 8Ω | 500V | - | Y | Y | Y | <150 |
| BP2373CR | ASOP-7 | Y | 5.8Ω | 500V | - | Y | Y | Y | <180 |