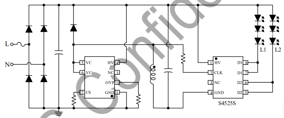
S4525S是專用于開關調色溫的芯片,該芯片內置兩個400V的晶閘管,簡化了外圍電路結構。采用高壓工藝,HV腳內置高壓JFET供電,無需外加供電電阻和VDD電容。信號檢測腳CLK內置高壓電阻檢測網絡(外圍只需加一個保護電阻),易于兼容Flyback、Buck或Buck-Boost等開關電源應用,給電源的設計提供便利性
優勢
開關三段調色控制 芯片: L1L2一(L1+L2)/2芯片集成度高,外圍簡潔 內置400V晶閘管,無需外掛開關管 內置時鐘計時復位,一致性好 內置限壓電路,適用更寬的功率范圍 兼容隔離、非隔離及高 PF 等開關電源應用
應用領域 開關調色溫LED 電源

| 產品型號 | 封裝 | 功率管 | 最大電流/功率 | 復位時間 | 功率段調整 |
| S4422B | SOT23-5 | 3Ω / 40V | 260mA/3~7W | 內置12S | A->B->(A+B)/2 |
| S4525S | SOP8 | 0.6A 400V SCR | 260mA/50W | 內置11S | A->B->(A+B)/2 |
| S5542SP | SOP8 | 16Ω / 500V | 120mA/3~7W | 內置12S | A->B->(A+B)/2 |
| S4523B | SOT23-5 | / | 不限 No limit | 內置12S | A->B->A+B |
| S4523RB | SOT23-5 | / | 不限 No limit | 內置6S | A+B->A->B |
| BP5823CH | HSOP7 | / | 3~9W | 內置7S | 邏輯可調 |
| BP5828CJ | ESOP-8 | / | 3~9W | 內置7S | 邏輯可調 |
| BP5828CH | ESOP-8 | / | 379W | 內置7S | B->A->(A+B)/2 |
| S4120MB | SOT23-6 | 外置MOS管/SCR | 不限 | 1S開關2次 | A->B->(A+B)/2 |
| S4225MB | SOP8 | 1A 400V SCR | 300mA | 1S開關2次 | A->B->(A+B)/2 |
| S4226MB | SOP8 | 1A 400V SCR | 300mA | 10S開關7次 | A->(A+B)/2->B |
| S4512MB | SOP8 | 0.8A 400V SCR | 260mA | 10S開關7次 | A->B->(A+B)/2 |
| S4165M | SOT23-6 | / | / | 1S開關2次 | 100%->50%->12% |
| S4723MB | SOP8 | 外置MOS管/SCR | / | 1S開關2次 | A->B->C |
| S4223MD | SOT23-6 | / | / | 1S開關2次 | A->B->A+B |