NS6118 是一款支持寬電壓輸入的異步降壓 DC-DC 穩壓芯片。內置有一個高邊 NMOS 管能夠提 供 2A 的輸出電流能力。NS6118 采用電流模式的環 路控制原理,實現了快速的動態響應。芯片還集成 有過溫保護,輸出短路保護和輸入欠壓保護等多重 保護功能。
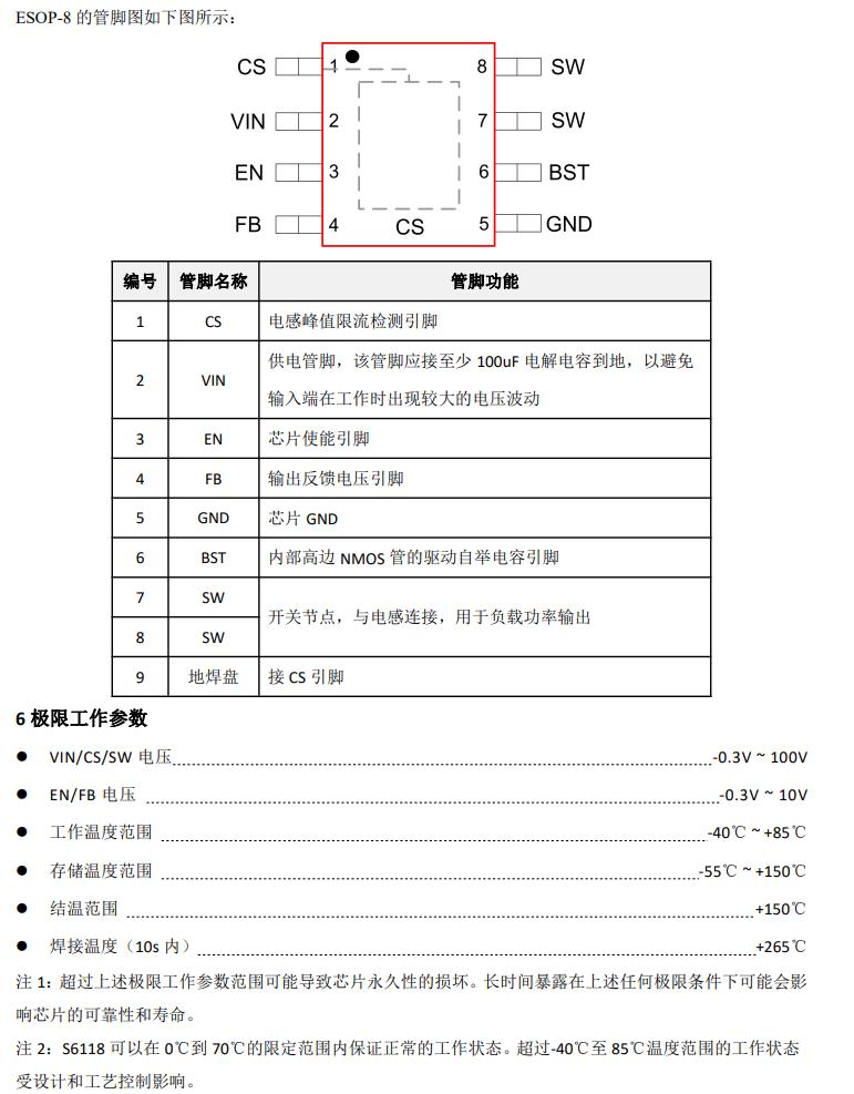
NS6118 采用 ESOP8 的標準封裝。
特性 ? 寬輸入電壓范圍:8V-100V ? 最大 2A 輸出電流 ? 電感最大峰值電流可調節 ? 低待機功耗 ? 外置 FB 引腳,輸出電壓可調節 ? 支持 EN 使能控制 ? 異步降壓開關頻率 150KHz ? 內置軟啟動 ? 內置過溫保護、輸出短路保護 ? 封裝形式 ESOP8
應用 ? GPS 追蹤器 ? 車載恒壓電源 ? 高壓輸入 LED 燈應用電源燈等




